一:ZY-10KV絕緣耐壓測試儀使用說明主要技術參數
1:電源輸入 單相220V 50HZ
2:額定容量 1KVA 變壓器
3:輸出電壓 AC:0-10KV、DC:0-10KV
4:泄漏電流 AC 0-30mA/DC 0-30mA
5:工作時間0-300s
6:控制方式 自動

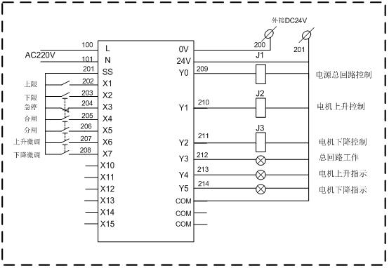
二:10KV絕緣耐壓測試儀使用說明原理圖
三:10KV絕緣耐壓測試儀使用說明接線示意圖
使用方法
1:連接好面板對應AC或者DC連接線,接電源AC220V輸入,接通電源AC220V,打開電源開關。
2:點擊觸摸屏,進入設置界面,
3:參數設定一般只需設定,輸出電壓,泄漏電流,通電時間三個參數即可,其他不要改,設定好參數后,點擊“返回”到主界面,再點擊一下“測試”按鈕,界面“工作”指示燈為紅色并閃爍,升壓指示燈亮,至額定電壓,“升壓”停止并開始計時-計時完成-降壓-主回路斷開。整個耐壓過程將按要求自動完成。并記錄所有參數,點擊“試驗報告打印”將打印測試結果。
4:測試過程中,如果輸出電壓相差太多,按下“升壓、降壓”按鈕,微調輸出電壓;如果出現主回路電流過大或泄漏電流過大主回路將立即停車,或人為按下電源開關,急停復位,所有電路將自動復位。
界面說明
主界面
點擊進入測試界面
直流測試界面
交流測試界面
點擊“開始”測試,將自動完成整個測試過程
